

gaoshengkeji@163.com

光幕的作用:
據統計,電梯對乘客的傷害事故,80%以上是由電梯門造成的。很大部分電梯故障也是由電梯門系統故障造成的。從垂直升降電梯誕生之時起,如何避免電梯門對乘客的潛在威脅,保護電梯門系統自身的安全運作,一直是電梯制造、保養的重要課題。各國電梯標準,都對電梯門安全保護有強制規定。工程技術人員設計采用了各種形式的電梯門保護系統。自上世紀九十年代,紅外光幕電梯門保護系統在電梯工業界逐漸被廣泛采用。
紅外光幕電梯門保護系統由紅外發射器與紅外接收器組成,分別裝在電梯轎廂門的兩側。紅外發射器可依次發射紅外探測光束,紅外接收器可依次循環探測這些光束,從而在電梯轎廂門平面形成幾十至上百束的紅外保護光幕。當乘客或物體進出電梯轎廂門平面,阻擋了紅外光幕掃描過程中的任何一束,光幕控制系統就會探知,并輸出信號給電梯轎廂門系統,使正在關閉的電梯門反轉打開,從而起到保護乘客的目的。
國標對于電梯門保護的規定:
GB7588-2003第8.7.2.1.1.3條和第7.5.2.1.1.3條,對于門保護有相應的規定:“當乘客在轎門關閉過程中,通過入口時被門扇撞擊或將被撞擊,一個保護裝置應自動地使門重新開啟。此保護裝置的作用可在每個主動門扇最后50mm的行程中被消除。對于這樣的一個系統,即在一個預定的時間后,它使保護裝置失去作用以抵制關門時的持續阻礙,則門扇在保護裝置失效下運動時,8.7.2.1.1.2規定的動能不應大于10J。
GB7588-2003在技術內容上等同于EN81-1998。國標明確指出門系統,一般在轎門系統中必須有門保護的存在,但是對于門保護的類型、位置和起保護作用的方式并沒有做出明確規定,有時會對設計人員在實際設計和使用過程中產生一些混淆,同時我認為門保護作用在最后50mm的行程中產生被消除會造成一定的安全隱患,將在本文中予以說明。
與其它電梯門保護的對照區別
紅外光幕電梯門保護系統是一種非接觸式保護,對進出電梯的乘客或物體無撞擊,既使乘客電梯對乘客更友善,又保護了電梯門不會因為長期沖撞被損壞。紅外光幕電梯門保護系統是一種閉環保護形式,從控制系統到紅外發射器到紅外接收器,再將探測信號返回控制器,形成一個保護回路。該回路本身如果出現中斷,比如紅外發射管或接收管損壞,紅外光幕也能發出報警。因而紅外光幕電梯門保護系統是一種失效安全的保護裝置。
傳統的電梯門保護裝置使用機械觸板,即在電梯轎門兩側安裝活動金屬條。當機械觸板被撞擊向兩側移動時,會觸發活動金屬條后面的微動開關,輸出開門信號。
紅外光幕電梯門保護系統的發射器和接收器
紅外光幕電梯門保護系統的探測部分由紅外發射器及紅外接收器組成。紅外發射器、紅外接收器內分別直線排列有若干對紅外發射管、紅外接收管。
紅外光幕的發射器在程序控制下由某個發射管發射單束紅外線,同時檢測對應的一個接收管的接收信號,就形成了一個探測回路。

機械觸板
機械觸板是一種開環保護系統,對本系統內的故障,比如微動開關失效,系統不能做出反應;機械觸板依靠撞擊做出反應,既對乘客或物體造成損害,本身也應長期使用,容易損壞;在貨物電梯上,物體對機械觸板的撞擊,不可避免地也會對電梯門造成損壞。

光束門保護
光電開關(光電眼)是常見的單獨或與機械觸板配合使用的電梯門保護裝置,因此對于光束來說,是不能作為獨立的門保護。由于光束只有一束光信號,一般光束直徑在1.5mm左右,感應物體范圍極其有限,所以一般情況下,光束都需要和機械觸板配用。光束可以裝在安全觸板上,也可以裝在轎廂前圍壁上,安裝的數量不限。其通過一束或幾束可見光線照射電梯門另一側的探測器保護電梯門平面的進出乘客或物體。從國標定義上看,當光束感應到物體存在時,具有自動地使門重新開啟的功能。但是,光電開關的保護區域僅限于有光束的幾點位置,不能對電梯門高度全范圍提供保護。所以光束不能對乘客起到有效的保護作用,只有光束作為門保護是不符合國標的,同時大多數城市在驗收時也不會通過。

電容或電感感應板
電容或電感感應板也是一種單獨或與機械觸板配合使用的電梯門保護裝置,比較少見。其通過感應人體接近感應板引起的電容或電感變化,探測并保護進出電梯的乘客。但是,感應保護的作用距離非常有限,通常僅當靠近至10 - 20毫米時才起作用。另外,電容或電感值本身受環境影響很大,故很不可靠。

超聲裝置
超聲裝置通過探測向電梯門區域發射的超聲波的回波確定進出電梯門的人員與物體。但是,超聲裝置的價格很高,同時該裝置也屬于開環保護,因而并無廣泛應用。


力矩裝置
力矩裝置連接于電梯門機馬達,通過探測電梯門擠壓物體時馬達轉動力矩的增加控制電梯門的閉合。這是一種對極限情況的保護方式,僅作為電梯門保護的最后時刻使用,除某些經濟型、迷你型電梯以外,很少單獨使用。

稱重裝置
稱重裝置連接于電梯轎廂,一般是作為電梯超重的報警保護裝置,也有少量電梯用類似裝置探測人員或物體進出電梯時的重量變化情況,控制電梯門的閉合,很少單獨使用。

工作原理
紅外光幕電梯門保護系統的探測部分由紅外發射器及紅外接收器組成。紅外發射器、紅外接收器內分別直線排列有若干對紅外發射管、紅外接收管。
紅外光幕的發射器在程序控制下由某個發射管發射單束紅外線,同時檢測對應的一個接收管的接收信號,就形成了一個探測回路。
如果該束紅外線順利到達一個接收管,作為紅外光敏元件的該接收管會產生特定強度的信號輸出,控制系統即判斷為正常情況;如果該束紅外線被物體阻擋,對應的接收管無信號輸出,或雖有輸出,但未達到應有的強度,則控制系統判斷為非正常情況,控制系統會向電梯門系統發出信號,使正在關閉的電梯門反轉打開。
光幕控制系統控制所有的紅外發射管按順序依次發射紅外光束,同時按順序依次判斷相應的一個紅外接收管的接收信號輸出強度,循環掃描,就形成了一道隱形的紅外保護光幕。紅外發射管的發射及相應紅外接收管的接收由控制程序進行同步。
紅外發射器與紅外接收器分別裝在電梯轎廂門的兩側,當乘客或物體進出電梯轎廂門平面,阻擋了紅外光幕掃描過程中的任何一束,光幕控制系統就會探知,并輸出信號給電梯轎廂門系統,使正在關閉的電梯門反轉打開,從而起到保護乘客的目的。常見的光幕產品,程序控制芯片及外圍電路集成在紅外發射器和紅外接收器內,能完成光幕發射/接收,信號判斷等基本功能,能通過光幕發射器/接收器上發光二極管,給出提示信息,提供簡單的安裝/故障顯示。光幕發射器與接收器分別進行發射/接收的同步。
此類光幕的工作電源由電源盒提供。電源盒將交流電源轉換為直流電供光幕,并將光幕輸出通過繼電器等形式輸出到電梯門機系統。
平行探測光束與交叉探測光束
單束紅外線發射時,控制系統只接收與該紅外發射管相對應一個紅外接收管的信號,然后再進行下面一對紅外發射管和紅外接收管的發射與接收,就形成了一道道平行的紅外光束組成的紅外保護光幕。有多少對紅外發射管和紅外接收管,就形成多少線平行光束。平行光束之間,為“觀察”盲區。


單束紅外發射與可見光相似,不是像激光一樣的直線,而是圓錐形發散的,因而可以“照耀”一排接收管中上下相鄰的幾個接收管。控制系統在指令某一個紅外發射管發射時,除了接收正對發射管的那個接收管的信號,也可以依次一一接收上下相鄰的接收管的信號。每接收一個接收管的信號,就如同在觀察那一條“線”上的情況。把所有這些“觀察線”掃描一遍,就形成了交叉光束。有了交叉光束,就可以用較少的紅外發射管和紅外接收管,形成較密集的紅外保護光幕,幾乎沒有“觀察”盲區。
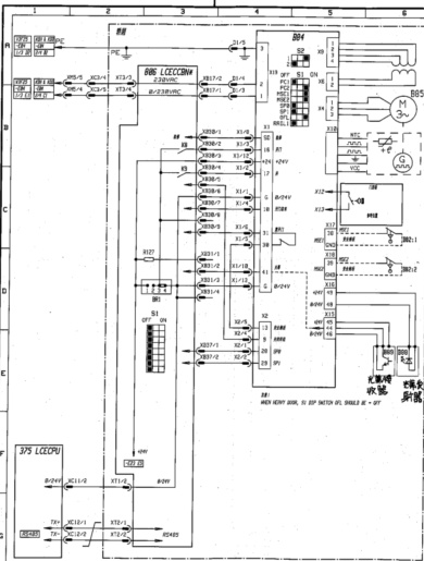
通力AMD DRIVE2電路
其中光幕由發射器88及接收器89組成 當光幕被遮擋后接收端將信號反饋給門機板發出從開門信號

原理圖:

安裝工藝
鉚釘的安裝方向要正確,否則光幕固定后壓在凸出的鉚釘末端容易變形,從而影響使用。

光幕的安裝方式
光幕的安裝方式主要有兩種:移動式安裝、固定式安裝

移動式安裝又分為兩種如圖 主要因為開分方式區分

以下為Delta德爾塔電梯光幕綜合性能測試裝置的技術參數
電梯光幕綜合性能測試裝置用于檢測電梯光幕的最大探測距離、距離偏移值、偏轉角度值、探測性能綜合試驗、動作時間試驗、抗干憂試驗可靠性壽命試驗;設備采用PLC與工控電腦控制,采用數控技術原理,試驗參數直接在電腦上設置,試驗數據直接從電腦上讀取。
技術規格表:
檢驗項目 | 檢驗內容與要求 | 檢驗方法 |
最大有效探測距離試驗 | 5.5m±0.01m; | 確定光幕正確安裝并無錯位、偏轉及中間無遮擋后,接收端從零位緩慢向外移動,同時監測光幕的穩定性,直到光幕發出報警,此時的距離即為光幕的最大接收距離。 |
零距離錯位試驗 | 垂直允許錯位距離50mm±1mm; | 將光幕按正常工作位置安裝在夾具上,調整夾具使光幕發射端與接收端處于最對中位置,此時將電腦內位置數據清零;向上移動光幕發射端,當光幕發出接收失效報警后,停止移動,此時的位移值即為向上垂直錯位距離;將光幕發射端回歸零位,然后向下移動光幕發射端,當光幕發出接收失效報警后,停止移動,此時的位移值即為向下垂直錯位距離。 |
水平允許錯位距離50 mm±1mm; | 將光幕按正常工作位置安裝在夾具上,調整夾具使光幕發射端與接收端處于最對中位置,此時將電腦內位置數據清零;向前移動光幕發射端,當光幕發出接收失效報警后,停止移動,此時的位移值即為向前水平錯位距離;將光幕發射端回歸零位,然后向后移動光幕發射端,當光幕發出接收失效報警后,停止移動,此時的位移值即為向后水平錯位距離。 | |
角度錯位試驗 | 縱向錯位角度±15o; | 將光幕按正常工作位置安裝在夾具上,調整夾具使光幕發射端與接收端處于最對中位置,此時將電腦內位置數據清零;順時針轉動光幕接收端(旋轉軸心線為接收端前表面垂直中心線),當光幕發出接收失效報警后,停止轉動,此時的偏轉值即為向順時針縱向錯位角度;將光幕發射端回歸零位,然后逆時針轉動光幕接收端,當光幕發出接收失效報警后,停止轉動,此時的偏轉值即為向逆時針縱向錯位角度。 |
橫向錯位角度±15o。 | 將光幕按正常工作位置安裝在夾具上,調整夾具使光幕發射端與接收端處于最對中位置,此時將電腦內位置數據清零;順時針轉動光幕接收端(旋轉軸心線為接收端前表面水平中心線),當光幕發出接收失效報警后,停止轉動,此時的偏轉值即為向順時針橫向錯位角度;將光幕發射端回歸零位,然后逆時針轉動光幕接收端,當光幕發出接收失效報警后,停止轉動,此時的偏轉值即為向逆時針橫向錯位角度。 | |
探測性能綜合試驗 | 遮光棒、遮光板、遮光條探測盲區 | 遮光棒自光幕一端移動到另一端,移動過程中,適時監測光幕狀態,標定光幕的感應區與盲區,并可以結合遮光棒的直徑計算出感應區與盲區尺寸。 |
動作時間試驗 | 遮光響應時間、恢復時間,試驗精度0.01s。 | 遮光棒自上而下勻速移動,移動過程中適時監控光幕的報警狀態,結合光棒的移動速度,繪出狀況反應曲線,軟件可根據曲線圖測量光幕的反應時間、恢復時間。 |
干擾試驗 | 光干擾,光強度20000~100000 Lx | 從光幕的接收端對面向接收端發射對應強度的白光,此時監測光幕的狀態,檢測光幕抗光干憂性能。 |
電壓波動干擾試驗 | 迅速切換電源的電壓,同時監測光幕的狀態,檢測光幕抗電壓波動干憂性能。 | |
變頻器 | 啟動設備內的變頻器,同時監測光幕的狀態,檢測光幕抗變頻干憂性能。 | |
接觸器 | 啟動設備內的接觸器,同時監測光幕的狀態,檢測光幕抗接觸器干憂性能。 | |
可靠性壽命試驗 | 測量和記錄運行時間、運行次數、失效次數。 | 用一塊遮光板按設定的速度從光幕中間插入與移開,同時監測光幕的狀態,直到完成設定的測試次數或樣品失效。 |