儀器概述:
電子鎮流器不對稱脈沖測量儀是根據IEC61347-2-3 A1:2012標準中17.2以及標準圖3以及GB19510.4-2009標準中17.2以及標準圖3所示的試驗標準要求而設計制造。
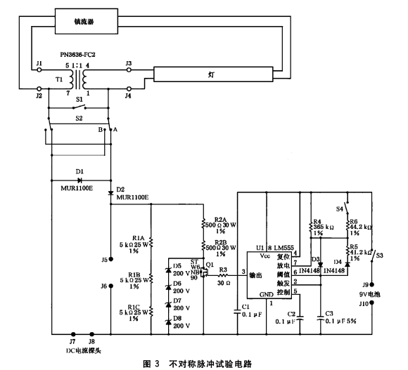
不對稱脈沖測量器面板布局及電原理圖:
圖1是不對稱脈沖測量器的面板照片, 圖2是不對稱脈沖試驗電原理圖,附頁為外部測量接線圖。

圖1

圖2
工作和檢測原理:
為了能使燈的陰極電流按正常工作的狀態通過,又能準確檢測燈氣體放電的不對稱脈沖所造成的功率,在燈的一個陰極與電子鎮流器之間加入了一個1:1的高頻變壓器,工作時,燈的陰極電流能通過變壓器耦合而加到燈的左邊陰極上。燈的電弧電流可通過開關S1模擬正常工作狀態,或通過轉換開關S2接入模擬的局部整流不對稱脈沖電路。
由時基集成電路LM555組成的脈沖發生器,當開關S4閉合時,由于R4和R6并聯,電阻值減小,脈沖發生器的周期(LM555的3腳輸出電平)為3 ms高電位,3 ms低電位,由此使絕緣場效應管Q1,也發生3 ms導通和3 ms截止的開關現象。當開關S4開路時,只有R4提供電流通路.從而使LM555的3腳輸出高電位的時間延長到27 ms,而由于C3被充電到閾值電壓后,放電的時間常數仍沒變,因此LM555的3腳低電平的維持時間仍為3 ms,場效應管Q1的導通和截止時間也隨這一變化而變化。
電子鎮流器不對稱脈沖測量儀是根據IEC61347-2-3 A1:2012標準中17.2以及標準圖3以及GB19510.4-2009標準中17.2以及標準圖3所示的試驗標準要求而設計制造。